忍者ブログ

InstantHomepage

お初の方は右側カテゴリーより興味のある記事をご覧ください。まとめシリーズがおすすめです。

回路図

×

[PR]上記の広告は3ヶ月以上新規記事投稿のないブログに表示されています。新しい記事を書く事で広告が消えます。

コメント

ただいまコメントを受けつけておりません。

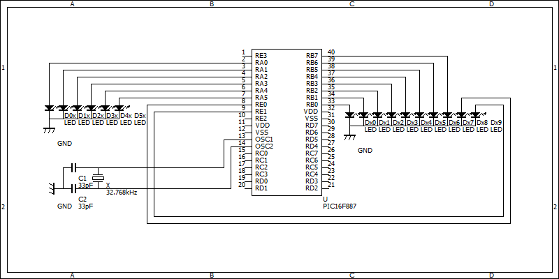
回路図

000cae7a.png
試作の回路図書いてみた。動画で動いてるヤツはこんな感じです。

拍手[0回]

PR

コメント

最新トラックバック

プロフィール

名前:120
年齢:1905
性別:男性
誕生:0120/02/28
職業:情報系奴隷
趣味:色々
自己紹介:
熱し易く冷め易い、そんな人間です。

mail(@要変更)
xelloss120@hotmail.com

カウンター

2007/12/09設置

バーコード